Ticker

6/recent/ticker-posts

Advertisement

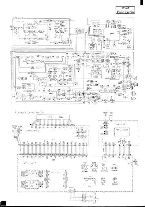
Download Yaesu Ft 1000 Transceiver Schematic Diagram Repair Manual

At present you are looking regarding an Yaesu Ft 1000 Transceiver Schematic Diagram Repair Manual example of which we provide here inside some form of document formats such as PDF, Doc, Power Point, and in addition images of which will make it easier for you to create an Yaesu Ft 1000 Transceiver Schematic Diagram Repair Manual yourself. For a more clear look, you may open a few examples below. All of the illustrations about Yaesu Ft 1000 Transceiver Schematic Diagram Repair Manual on this site, we get from a number of sources so you could create a better file of your own.

In case the search you get here does not match up what you are seeking for, please utilize the research feature that we possess provided here. You are usually free to download anything at all that we provide in this article, investment decision you won't cost you the slightest.

DOWNLOAD HERE

Everybody knows that reading Yaesu Ft 1000 Transceiver Schematic Diagram Repair Manual is useful, because we are able to get information through the resources. Technologies have developed, and reading Yaesu Ft 1000 Transceiver Schematic Diagram Repair Manual books can be far easier and simpler. We can read books on the mobile, tablets and Kindle, etc. Hence, there are many books being received by PDF format.

Right here websites for downloading free PDF books where one can acquire as much knowledge as you want. These days everybody, young and old, should familiarize themselves together with the growing eBook market. Ebooks and eBook visitors provide substantial benefits more than traditional reading. Ebooks reduce down on the make use of of paper, as advocated by environmental enthusiasts. Presently there are no fixed timings for study. There is usually no question of waiting-time for new editions. Presently there is no transportation to be able to the eBook shop. Typically the books in an eBook store can be downloaded immediately, sometimes for free, sometimes for a fee.

Not just that, the online version of books are typically much cheaper, because publication homes save their print in addition to paper machinery, the advantages of which are given to to customers. Further, the reach of the eBook shop is immense, permitting an individual living in Sydney to source out to be able to a publication house inside Chicago. The newest craze in the online eBook world is actually are known as eBook libraries, or eBook packages. An eBook package is something remarkable. That consists of a large number of ebooks bundled together that are not easily obtainable at one single place. So instead of hunting down and acquiring, say 100 literary timeless classics, you can aquire an eBook package which contains all these types of ebooks bundled together. These eBook libraries typically offer a substantial savings, in addition to are usually offered inside a variety of formats to match your brand of eBook reader. Large companies, such because Amazon or Barnes and Noble, tend to not carry these eBook your local library. If you want to be able to purchase one of these your local library, you will have to be able to find independent eBook outlets. These independent eBook outlets typically package the eBook libraries by genre, in addition to have a lot of genres.